Закладные изделия МН 125 по серии 1.400-15 выпуск 1
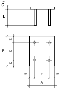
Изделие закладное МН 125-1
![]() |
Параметр | Обозначение | Значение |
| Размер пластины, мм | А | 250 | |
| Размер пластины, мм | B | 300 | |
| Размер пластины, мм | б | 10 | |
| Привязки анкеров, мм | а1 | 180 | |
| Привязки анкеров, мм | а2 | 35 | |
| Привязки анкеров, мм | b1 | 220 | |
| Привязки анкеров, мм | b2 | 40 | |
| Количество и диаметр анкеров | 4ф14AIII | ||
| Длина анкеров, мм | L | 540 | |
| Выборка стали на 1 изделие (профильная сталь), кг | -б=10 | 5.9 | |
| Выборка стали на 1 изделие (арм. A3 ф14), кг | 2.6 | ||
| Итого, кг | 8.5 | ||
| Обозначение детали | 1.400-15.B1.130-48 |
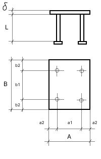
Изделие закладное МН 125-2
![]() |
Параметр | Обозначение | Значение |
| Размер пластины, мм | А | 250 | |
| Размер пластины, мм | B | 300 | |
| Размер пластины, мм | б | 10 | |
| Привязки анкеров, мм | а1 | 180 | |
| Привязки анкеров, мм | а2 | 35 | |
| Привязки анкеров, мм | b1 | 220 | |
| Привязки анкеров, мм | b2 | 40 | |
| Количество и диаметр анкеров | 4ф14AIII | ||
| Длина анкеров, мм | L | 420 | |
| Выборка стали на 1 изделие (профильная сталь), кг | -б=10 | 5.9 | |
| Выборка стали на 1 изделие (арм. A3 ф14), кг | 2 | ||
| Итого, кг | 7.9 | ||
| Обозначение детали | 1.400-15.B1.130-49 |
Изделие закладное МН 125-3
![]() |
Параметр | Обозначение | Значение |
| Размер пластины, мм | А | 250 | |
| Размер пластины, мм | B | 300 | |
| Размер пластины, мм | б | 10 | |
| Привязки анкеров, мм | а1 | 180 | |
| Привязки анкеров, мм | а2 | 35 | |
| Привязки анкеров, мм | b1 | 220 | |
| Привязки анкеров, мм | b2 | 40 | |
| Количество и диаметр анкеров | 4ф14AIII | ||
| Длина анкеров, мм | L | 320 | |
| Выборка стали на 1 изделие (профильная сталь), кг | -б=10 | 5.9 | |
| Выборка стали на 1 изделие (арм. A3 ф14), кг | 1.6 | ||
| Итого, кг | 7.5 | ||
| Обозначение детали | 1.400-15.B1.130-50 |
Изделие закладное МН 125-4
![]() |
Параметр | Обозначение | Значение |
| Размер пластины, мм | А | 250 | |
| Размер пластины, мм | B | 300 | |
| Размер пластины, мм | б | 10 | |
| Привязки анкеров, мм | а1 | 180 | |
| Привязки анкеров, мм | а2 | 35 | |
| Привязки анкеров, мм | b1 | 220 | |
| Привязки анкеров, мм | b2 | 40 | |
| Количество и диаметр анкеров | 4ф14AIII | ||
| Длина анкеров, мм | L | 540 | |
| Размеры пластин усиления и кол-во, мм | 50х50х10 (шт.4) | ||
| Выборка стали на 1 изделие (профильная сталь), кг | -б=10 | 6.7 | |
| Выборка стали на 1 изделие (арм. A3 ф14), кг | 2.6 | ||
| Итого, кг | 9.3 | ||
| Обозначение детали | 1.400-15.B1.130-51 |
Изделие закладное МН 125-5
![]() |
Параметр | Обозначение | Значение |
| Размер пластины, мм | А | 250 | |
| Размер пластины, мм | B | 300 | |
| Размер пластины, мм | б | 10 | |
| Привязки анкеров, мм | а1 | 180 | |
| Привязки анкеров, мм | а2 | 35 | |
| Привязки анкеров, мм | b1 | 220 | |
| Привязки анкеров, мм | b2 | 40 | |
| Количество и диаметр анкеров | 4ф14AIII | ||
| Длина анкеров, мм | L | 420 | |
| Размеры пластин усиления и кол-во, мм | 50х50х10 (шт.4) | ||
| Выборка стали на 1 изделие (профильная сталь), кг | -б=10 | 6.7 | |
| Выборка стали на 1 изделие (арм. A3 ф14), кг | 2 | ||
| Итого, кг | 8.7 | ||
| Обозначение детали | 1.400-15.B1.130-52 |
Изделие закладное МН 125-6
![]() |
Параметр | Обозначение | Значение |
| Размер пластины, мм | А | 250 | |
| Размер пластины, мм | B | 300 | |
| Размер пластины, мм | б | 10 | |
| Привязки анкеров, мм | а1 | 180 | |
| Привязки анкеров, мм | а2 | 35 | |
| Привязки анкеров, мм | b1 | 220 | |
| Привязки анкеров, мм | b2 | 40 | |
| Количество и диаметр анкеров | 4ф14AIII | ||
| Длина анкеров, мм | L | 170 | |
| Размеры пластин усиления и кол-во, мм | 50х50х10 (шт.4) | ||
| Выборка стали на 1 изделие (профильная сталь), кг | -б=10 | 6.7 | |
| Выборка стали на 1 изделие (арм. A3 ф14), кг | 0.8 | ||
| Итого, кг | 7.5 | ||
| Обозначение детали | 1.400-15.B1.130-53 |

