Закладные изделия МН 109 по серии 1.400-15 выпуск 1
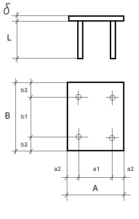
Изделие закладное МН 109-1
![]() |
Параметр | Обозначение | Значение |
| Размер пластины, мм | А | 100 | |
| Размер пластины, мм | B | 250 | |
| Размер пластины, мм | б | 6 | |
| Привязки анкеров, мм | а1 | 60 | |
| Привязки анкеров, мм | а2 | 20 | |
| Привязки анкеров, мм | b1 | 180 | |
| Привязки анкеров, мм | b2 | 35 | |
| Количество и диаметр анкеров | 4ф8AIII | ||
| Длина анкеров, мм | L | 300 | |
| Выборка стали на 1 изделие (профильная сталь), кг | -б=6 | 1.2 | |
| Выборка стали на 1 изделие (арм. A3 ф8), кг | 0.5 | ||
| Итого, кг | 1.7 | ||
| Обозначение детали | 1.400-15.B1.120-24 |
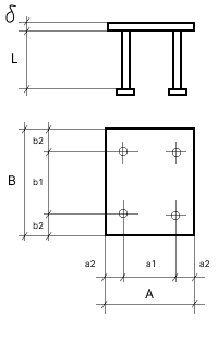
Изделие закладное МН 109-2
![]() |
Параметр | Обозначение | Значение |
| Размер пластины, мм | А | 100 | |
| Размер пластины, мм | B | 250 | |
| Размер пластины, мм | б | 6 | |
| Привязки анкеров, мм | а1 | 60 | |
| Привязки анкеров, мм | а2 | 20 | |
| Привязки анкеров, мм | b1 | 180 | |
| Привязки анкеров, мм | b2 | 35 | |
| Количество и диаметр анкеров | 4ф8AIII | ||
| Длина анкеров, мм | L | 250 | |
| Выборка стали на 1 изделие (профильная сталь), кг | -б=6 | 1.2 | |
| Выборка стали на 1 изделие (арм. A3 ф8), кг | 0.4 | ||
| Итого, кг | 1.6 | ||
| Обозначение детали | 1.400-15.B1.120-25 |
Изделие закладное МН 109-3
![]() |
Параметр | Обозначение | Значение |
| Размер пластины, мм | А | 100 | |
| Размер пластины, мм | B | 250 | |
| Размер пластины, мм | б | 6 | |
| Привязки анкеров, мм | а1 | 60 | |
| Привязки анкеров, мм | а2 | 20 | |
| Привязки анкеров, мм | b1 | 180 | |
| Привязки анкеров, мм | b2 | 35 | |
| Количество и диаметр анкеров | 4ф8AIII | ||
| Длина анкеров, мм | L | 200 | |
| Выборка стали на 1 изделие (профильная сталь), кг | -б=6 | 1.2 | |
| Выборка стали на 1 изделие (арм. A3 ф8), кг | 0.3 | ||
| Итого, кг | 1.5 | ||
| Обозначение детали | 1.400-15.B1.120-26 |
Изделие закладное МН 109-4
![]() |
Параметр | Обозначение | Значение |
| Размер пластины, мм | А | 100 | |
| Размер пластины, мм | B | 250 | |
| Размер пластины, мм | б | 6 | |
| Привязки анкеров, мм | а1 | 60 | |
| Привязки анкеров, мм | а2 | 20 | |
| Привязки анкеров, мм | b1 | 180 | |
| Привязки анкеров, мм | b2 | 35 | |
| Количество и диаметр анкеров | 4ф8AIII | ||
| Длина анкеров, мм | L | 300 | |
| Размеры пластин усиления и кол-во, мм | 40х40х8 (шт.4) | ||
| Выборка стали на 1 изделие (профильная сталь), кг | -б=6 | 1.2 | |
| Выборка стали на 1 изделие (профильная сталь), кг | -б=8 | 0.4 | |
| Выборка стали на 1 изделие (арм. A3 ф8), кг | 0.5 | ||
| Итого, кг | 2.1 | ||
| Обозначение детали | 1.400-15.B1.120-27 |
Изделие закладное МН 109-5
![]() |
Параметр | Обозначение | Значение |
| Размер пластины, мм | А | 100 | |
| Размер пластины, мм | B | 250 | |
| Размер пластины, мм | б | 6 | |
| Привязки анкеров, мм | а1 | 60 | |
| Привязки анкеров, мм | а2 | 20 | |
| Привязки анкеров, мм | b1 | 180 | |
| Привязки анкеров, мм | b2 | 35 | |
| Количество и диаметр анкеров | 4ф8AIII | ||
| Длина анкеров, мм | L | 250 | |
| Размеры пластин усиления и кол-во, мм | 40х40х8 (шт.4) | ||
| Выборка стали на 1 изделие (профильная сталь), кг | -б=6 | 1.2 | |
| Выборка стали на 1 изделие (профильная сталь), кг | -б=8 | 0.4 | |
| Выборка стали на 1 изделие (арм. A3 ф8), кг | 0.4 | ||
| Итого, кг | 2 | ||
| Обозначение детали | 1.400-15.B1.120-28 |
Изделие закладное МН 109-6
![]() |
Параметр | Обозначение | Значение |
| Размер пластины, мм | А | 100 | |
| Размер пластины, мм | B | 250 | |
| Размер пластины, мм | б | 6 | |
| Привязки анкеров, мм | а1 | 60 | |
| Привязки анкеров, мм | а2 | 20 | |
| Привязки анкеров, мм | b1 | 180 | |
| Привязки анкеров, мм | b2 | 35 | |
| Количество и диаметр анкеров | 4ф8AIII | ||
| Длина анкеров, мм | L | 80 | |
| Размеры пластин усиления и кол-во, мм | 40х40х8 (шт.4) | ||
| Выборка стали на 1 изделие (профильная сталь), кг | -б=6 | 1.2 | |
| Выборка стали на 1 изделие (профильная сталь), кг | -б=8 | 0.4 | |
| Выборка стали на 1 изделие (арм. A3 ф8), кг | 0.1 | ||
| Итого, кг | 1.7 | ||
| Обозначение детали | 1.400-15.B1.120-29 |

