Закладные изделия МН 108 по серии 1.400-15 выпуск 1
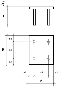
Изделие закладное МН 108-1
![]() |
Параметр | Обозначение | Значение |
| Размер пластины, мм | А | 100 | |
| Размер пластины, мм | B | 200 | |
| Размер пластины, мм | б | 8 | |
| Привязки анкеров, мм | а1 | 60 | |
| Привязки анкеров, мм | а2 | 20 | |
| Привязки анкеров, мм | b1 | 120 | |
| Привязки анкеров, мм | b2 | 40 | |
| Количество и диаметр анкеров | 4ф12AIII | ||
| Длина анкеров, мм | L | 470 | |
| Выборка стали на 1 изделие (профильная сталь), кг | -б=8 | 1.3 | |
| Выборка стали на 1 изделие (арм. A3 ф12), кг | 1.7 | ||
| Итого, кг | 3 | ||
| Обозначение детали | 1.400-15.B1.120-18 |
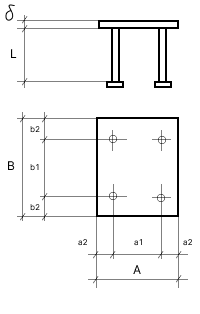
Изделие закладное МН 108-2
![]() |
Параметр | Обозначение | Значение |
| Размер пластины, мм | А | 100 | |
| Размер пластины, мм | B | 200 | |
| Размер пластины, мм | б | 8 | |
| Привязки анкеров, мм | а1 | 60 | |
| Привязки анкеров, мм | а2 | 20 | |
| Привязки анкеров, мм | b1 | 120 | |
| Привязки анкеров, мм | b2 | 40 | |
| Количество и диаметр анкеров | 4ф12AIII | ||
| Длина анкеров, мм | L | 370 | |
| Выборка стали на 1 изделие (профильная сталь), кг | -б=8 | 1.3 | |
| Выборка стали на 1 изделие (арм. A3 ф12), кг | 1.3 | ||
| Итого, кг | 2.6 | ||
| Обозначение детали | 1.400-15.B1.120-19 |
Изделие закладное МН 108-3
![]() |
Параметр | Обозначение | Значение |
| Размер пластины, мм | А | 100 | |
| Размер пластины, мм | B | 200 | |
| Размер пластины, мм | б | 8 | |
| Привязки анкеров, мм | а1 | 60 | |
| Привязки анкеров, мм | а2 | 20 | |
| Привязки анкеров, мм | b1 | 120 | |
| Привязки анкеров, мм | b2 | 40 | |
| Количество и диаметр анкеров | 4ф12AIII | ||
| Длина анкеров, мм | L | 270 | |
| Выборка стали на 1 изделие (профильная сталь), кг | -б=8 | 1.3 | |
| Выборка стали на 1 изделие (арм. A3 ф12), кг | 1 | ||
| Итого, кг | 2.3 | ||
| Обозначение детали | 1.400-15.B1.120-20 |
Изделие закладное МН 108-4
![]() |
Параметр | Обозначение | Значение |
| Размер пластины, мм | А | 100 | |
| Размер пластины, мм | B | 200 | |
| Размер пластины, мм | б | 8 | |
| Привязки анкеров, мм | а1 | 60 | |
| Привязки анкеров, мм | а2 | 20 | |
| Привязки анкеров, мм | b1 | 120 | |
| Привязки анкеров, мм | b2 | 40 | |
| Количество и диаметр анкеров | 4ф12AIII | ||
| Длина анкеров, мм | L | 470 | |
| Размеры пластин усиления и кол-во, мм | 50х50х10 (шт.4) | ||
| Выборка стали на 1 изделие (профильная сталь), кг | -б=8 | 1.3 | |
| Выборка стали на 1 изделие (профильная сталь), кг | -б=10 | 0.8 | |
| Выборка стали на 1 изделие (арм. A3 ф12), кг | 1.7 | ||
| Итого, кг | 3.8 | ||
| Обозначение детали | 1.400-15.B1.120-21 |
Изделие закладное МН 108-5
![]() |
Параметр | Обозначение | Значение |
| Размер пластины, мм | А | 100 | |
| Размер пластины, мм | B | 200 | |
| Размер пластины, мм | б | 8 | |
| Привязки анкеров, мм | а1 | 60 | |
| Привязки анкеров, мм | а2 | 20 | |
| Привязки анкеров, мм | b1 | 120 | |
| Привязки анкеров, мм | b2 | 40 | |
| Количество и диаметр анкеров | 4ф12AIII | ||
| Длина анкеров, мм | L | 370 | |
| Размеры пластин усиления и кол-во, мм | 50х50х10 (шт.4) | ||
| Выборка стали на 1 изделие (профильная сталь), кг | -б=8 | 1.3 | |
| Выборка стали на 1 изделие (профильная сталь), кг | -б=10 | 0.8 | |
| Выборка стали на 1 изделие (арм. A3 ф12), кг | 1.3 | ||
| Итого, кг | 3.4 | ||
| Обозначение детали | 1.400-15.B1.120-22 |
Изделие закладное МН 108-6
![]() |
Параметр | Обозначение | Значение |
| Размер пластины, мм | А | 100 | |
| Размер пластины, мм | B | 200 | |
| Размер пластины, мм | б | 8 | |
| Привязки анкеров, мм | а1 | 60 | |
| Привязки анкеров, мм | а2 | 20 | |
| Привязки анкеров, мм | b1 | 120 | |
| Привязки анкеров, мм | b2 | 40 | |
| Количество и диаметр анкеров | 4ф12AIII | ||
| Длина анкеров, мм | L | 170 | |
| Размеры пластин усиления и кол-во, мм | 50х50х10 (шт.4) | ||
| Выборка стали на 1 изделие (профильная сталь), кг | -б=8 | 1.3 | |
| Выборка стали на 1 изделие (профильная сталь), кг | -б=10 | 0.8 | |
| Выборка стали на 1 изделие (арм. A3 ф12), кг | 0.6 | ||
| Итого, кг | 2.7 | ||
| Обозначение детали | 1.400-15.B1.120-23 |

