Закладные изделия МН 116 по серии 1.400-15 выпуск 1
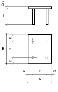
Изделие закладное МН 116-1
![]() |
Параметр | Обозначение | Значение |
| Размер пластины, мм | А | 150 | |
| Размер пластины, мм | B | 250 | |
| Размер пластины, мм | б | 8 | |
| Привязки анкеров, мм | а1 | 90 | |
| Привязки анкеров, мм | а2 | 30 | |
| Привязки анкеров, мм | b1 | 180 | |
| Привязки анкеров, мм | b2 | 35 | |
| Количество и диаметр анкеров | 4ф12AIII | ||
| Длина анкеров, мм | L | 470 | |
| Выборка стали на 1 изделие (профильная сталь), кг | -б=8 | 2.4 | |
| Выборка стали на 1 изделие (арм. A3 ф12), кг | 1.7 | ||
| Итого, кг | 4.1 | ||
| Обозначение детали | 1.400-15.B1.120-66 |
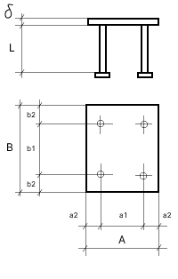
Изделие закладное МН 116-2
![]() |
Параметр | Обозначение | Значение |
| Размер пластины, мм | А | 150 | |
| Размер пластины, мм | B | 250 | |
| Размер пластины, мм | б | 8 | |
| Привязки анкеров, мм | а1 | 90 | |
| Привязки анкеров, мм | а2 | 30 | |
| Привязки анкеров, мм | b1 | 180 | |
| Привязки анкеров, мм | b2 | 35 | |
| Количество и диаметр анкеров | 4ф12AIII | ||
| Длина анкеров, мм | L | 370 | |
| Выборка стали на 1 изделие (профильная сталь), кг | -б=8 | 2.4 | |
| Выборка стали на 1 изделие (арм. A3 ф12), кг | 1.3 | ||
| Итого, кг | 3.7 | ||
| Обозначение детали | 1.400-15.B1.120-67 |
Изделие закладное МН 116-3
![]() |
Параметр | Обозначение | Значение |
| Размер пластины, мм | А | 150 | |
| Размер пластины, мм | B | 250 | |
| Размер пластины, мм | б | 8 | |
| Привязки анкеров, мм | а1 | 90 | |
| Привязки анкеров, мм | а2 | 30 | |
| Привязки анкеров, мм | b1 | 180 | |
| Привязки анкеров, мм | b2 | 35 | |
| Количество и диаметр анкеров | 4ф12AIII | ||
| Длина анкеров, мм | L | 270 | |
| Выборка стали на 1 изделие (профильная сталь), кг | -б=8 | 2.4 | |
| Выборка стали на 1 изделие (арм. A3 ф12), кг | 1 | ||
| Итого, кг | 3.4 | ||
| Обозначение детали | 1.400-15.B1.120-68 |
Изделие закладное МН 116-4
![]() |
Параметр | Обозначение | Значение |
| Размер пластины, мм | А | 150 | |
| Размер пластины, мм | B | 250 | |
| Размер пластины, мм | б | 8 | |
| Привязки анкеров, мм | а1 | 90 | |
| Привязки анкеров, мм | а2 | 30 | |
| Привязки анкеров, мм | b1 | 180 | |
| Привязки анкеров, мм | b2 | 35 | |
| Количество и диаметр анкеров | 4ф12AIII | ||
| Длина анкеров, мм | L | 470 | |
| Размеры пластин усиления и кол-во, мм | 50х50х10 (шт.4) | ||
| Выборка стали на 1 изделие (профильная сталь), кг | -б=8 | 2.4 | |
| Выборка стали на 1 изделие (профильная сталь), кг | -б=10 | 0.8 | |
| Выборка стали на 1 изделие (арм. A3 ф12), кг | 1.7 | ||
| Итого, кг | 4.9 | ||
| Обозначение детали | 1.400-15.B1.120-69 |
Изделие закладное МН 116-5
![]() |
Параметр | Обозначение | Значение |
| Размер пластины, мм | А | 150 | |
| Размер пластины, мм | B | 250 | |
| Размер пластины, мм | б | 8 | |
| Привязки анкеров, мм | а1 | 90 | |
| Привязки анкеров, мм | а2 | 30 | |
| Привязки анкеров, мм | b1 | 180 | |
| Привязки анкеров, мм | b2 | 35 | |
| Количество и диаметр анкеров | 4ф12AIII | ||
| Длина анкеров, мм | L | 370 | |
| Размеры пластин усиления и кол-во, мм | 50х50х10 (шт.4) | ||
| Выборка стали на 1 изделие (профильная сталь), кг | -б=8 | 2.4 | |
| Выборка стали на 1 изделие (профильная сталь), кг | -б=10 | 0.8 | |
| Выборка стали на 1 изделие (арм. A3 ф12), кг | 1.3 | ||
| Итого, кг | 4.5 | ||
| Обозначение детали | 1.400-15.B1.120-70 |
Изделие закладное МН 116-6
![]() |
Параметр | Обозначение | Значение |
| Размер пластины, мм | А | 150 | |
| Размер пластины, мм | B | 250 | |
| Размер пластины, мм | б | 8 | |
| Привязки анкеров, мм | а1 | 90 | |
| Привязки анкеров, мм | а2 | 30 | |
| Привязки анкеров, мм | b1 | 180 | |
| Привязки анкеров, мм | b2 | 35 | |
| Количество и диаметр анкеров | 4ф12AIII | ||
| Длина анкеров, мм | L | 170 | |
| Размеры пластин усиления и кол-во, мм | 50х50х10 (шт.4) | ||
| Выборка стали на 1 изделие (профильная сталь), кг | -б=8 | 2.4 | |
| Выборка стали на 1 изделие (профильная сталь), кг | -б=10 | 0.8 | |
| Выборка стали на 1 изделие (арм. A3 ф12), кг | 0.6 | ||
| Итого, кг | 3.8 | ||
| Обозначение детали | 1.400-15.B1.120-71 |

