Закладные изделия МН 124 по серии 1.400-15 выпуск 1
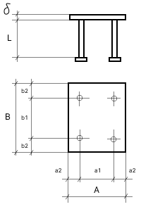
Изделие закладное МН 124-1
![]() |
Параметр | Обозначение | Значение |
| Размер пластины, мм | А | 250 | |
| Размер пластины, мм | B | 300 | |
| Размер пластины, мм | б | 8 | |
| Привязки анкеров, мм | а1 | 180 | |
| Привязки анкеров, мм | а2 | 35 | |
| Привязки анкеров, мм | b1 | 220 | |
| Привязки анкеров, мм | b2 | 40 | |
| Количество и диаметр анкеров | 4ф10AIII | ||
| Длина анкеров, мм | L | 370 | |
| Выборка стали на 1 изделие (профильная сталь), кг | -б=8 | 4.7 | |
| Выборка стали на 1 изделие (арм. A3 ф10), кг | 0.9 | ||
| Итого, кг | 5.6 | ||
| Обозначение детали | 1.400-15.B1.130-42 |
Изделие закладное МН 124-2
![]() |
Параметр | Обозначение | Значение |
| Размер пластины, мм | А | 250 | |
| Размер пластины, мм | B | 300 | |
| Размер пластины, мм | б | 8 | |
| Привязки анкеров, мм | а1 | 180 | |
| Привязки анкеров, мм | а2 | 35 | |
| Привязки анкеров, мм | b1 | 220 | |
| Привязки анкеров, мм | b2 | 40 | |
| Количество и диаметр анкеров | 4ф10AIII | ||
| Длина анкеров, мм | L | 270 | |
| Выборка стали на 1 изделие (профильная сталь), кг | -б=8 | 4.7 | |
| Выборка стали на 1 изделие (арм. A3 ф10), кг | 0.7 | ||
| Итого, кг | 5.4 | ||
| Обозначение детали | 1.400-15.B1.130-43 |
Изделие закладное МН 124-3
![]() |
Параметр | Обозначение | Значение |
| Размер пластины, мм | А | 250 | |
| Размер пластины, мм | B | 300 | |
| Размер пластины, мм | б | 8 | |
| Привязки анкеров, мм | а1 | 180 | |
| Привязки анкеров, мм | а2 | 35 | |
| Привязки анкеров, мм | b1 | 220 | |
| Привязки анкеров, мм | b2 | 40 | |
| Количество и диаметр анкеров | 4ф10AIII | ||
| Длина анкеров, мм | L | 220 | |
| Выборка стали на 1 изделие (профильная сталь), кг | -б=8 | 4.7 | |
| Выборка стали на 1 изделие (арм. A3 ф10), кг | 0.6 | ||
| Итого, кг | 5.3 | ||
| Обозначение детали | 1.400-15.B1.130-44 |
Изделие закладное МН 124-4
![]() |
Параметр | Обозначение | Значение |
| Размер пластины, мм | А | 250 | |
| Размер пластины, мм | B | 300 | |
| Размер пластины, мм | б | 8 | |
| Привязки анкеров, мм | а1 | 180 | |
| Привязки анкеров, мм | а2 | 35 | |
| Привязки анкеров, мм | b1 | 220 | |
| Привязки анкеров, мм | b2 | 40 | |
| Количество и диаметр анкеров | 4ф10AIII | ||
| Длина анкеров, мм | L | 370 | |
| Размеры пластин усиления и кол-во, мм | 40х40х8 (шт.4) | ||
| Выборка стали на 1 изделие (профильная сталь), кг | -б=8 | 5.1 | |
| Выборка стали на 1 изделие (арм. A3 ф10), кг | 0.9 | ||
| Итого, кг | 6 | ||
| Обозначение детали | 1.400-15.B1.130-45 |
Изделие закладное МН 124-5
![]() |
Параметр | Обозначение | Значение |
| Размер пластины, мм | А | 250 | |
| Размер пластины, мм | B | 300 | |
| Размер пластины, мм | б | 8 | |
| Привязки анкеров, мм | а1 | 180 | |
| Привязки анкеров, мм | а2 | 35 | |
| Привязки анкеров, мм | b1 | 220 | |
| Привязки анкеров, мм | b2 | 40 | |
| Количество и диаметр анкеров | 4ф10AIII | ||
| Длина анкеров, мм | L | 270 | |
| Размеры пластин усиления и кол-во, мм | 40х40х8 (шт.4) | ||
| Выборка стали на 1 изделие (профильная сталь), кг | -б=8 | 5.1 | |
| Выборка стали на 1 изделие (арм. A3 ф10), кг | 0.7 | ||
| Итого, кг | 5.8 | ||
| Обозначение детали | 1.400-15.B1.130-46 |
Изделие закладное МН 124-6
![]() |
Параметр | Обозначение | Значение |
| Размер пластины, мм | А | 250 | |
| Размер пластины, мм | B | 300 | |
| Размер пластины, мм | б | 8 | |
| Привязки анкеров, мм | а1 | 180 | |
| Привязки анкеров, мм | а2 | 35 | |
| Привязки анкеров, мм | b1 | 220 | |
| Привязки анкеров, мм | b2 | 40 | |
| Количество и диаметр анкеров | 4ф10AIII | ||
| Длина анкеров, мм | L | 120 | |
| Размеры пластин усиления и кол-во, мм | 40х40х8 (шт.4) | ||
| Выборка стали на 1 изделие (профильная сталь), кг | -б=8 | 5.1 | |
| Выборка стали на 1 изделие (арм. A3 ф10), кг | 0.3 | ||
| Итого, кг | 5.4 | ||
| Обозначение детали | 1.400-15.B1.130-47 |

