Закладные изделия МН 113 по серии 1.400-15 выпуск 1
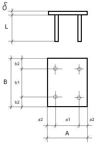
Изделие закладное МН 113-1
![]() |
Параметр | Обозначение | Значение |
| Размер пластины, мм | А | 150 | |
| Размер пластины, мм | B | 200 | |
| Размер пластины, мм | б | 6 | |
| Привязки анкеров, мм | а1 | 90 | |
| Привязки анкеров, мм | а2 | 30 | |
| Привязки анкеров, мм | b1 | 120 | |
| Привязки анкеров, мм | b2 | 40 | |
| Количество и диаметр анкеров | 4ф8AIII | ||
| Длина анкеров, мм | L | 300 | |
| Выборка стали на 1 изделие (профильная сталь), кг | -б=6 | 1.4 | |
| Выборка стали на 1 изделие (арм. A3 ф8), кг | 0.5 | ||
| Итого, кг | 1.9 | ||
| Обозначение детали | 1.400-15.B1.120-48 |
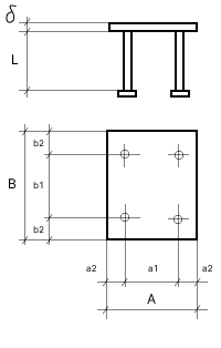
Изделие закладное МН 113-2
![]() |
Параметр | Обозначение | Значение |
| Размер пластины, мм | А | 150 | |
| Размер пластины, мм | B | 200 | |
| Размер пластины, мм | б | 6 | |
| Привязки анкеров, мм | а1 | 90 | |
| Привязки анкеров, мм | а2 | 30 | |
| Привязки анкеров, мм | b1 | 120 | |
| Привязки анкеров, мм | b2 | 40 | |
| Количество и диаметр анкеров | 4ф8AIII | ||
| Длина анкеров, мм | L | 250 | |
| Выборка стали на 1 изделие (профильная сталь), кг | -б=6 | 1.4 | |
| Выборка стали на 1 изделие (арм. A3 ф8), кг | 0.4 | ||
| Итого, кг | 1.8 | ||
| Обозначение детали | 1.400-15.B1.120-49 |
Изделие закладное МН 113-3
![]() |
Параметр | Обозначение | Значение |
| Размер пластины, мм | А | 150 | |
| Размер пластины, мм | B | 200 | |
| Размер пластины, мм | б | 6 | |
| Привязки анкеров, мм | а1 | 90 | |
| Привязки анкеров, мм | а2 | 30 | |
| Привязки анкеров, мм | b1 | 120 | |
| Привязки анкеров, мм | b2 | 40 | |
| Количество и диаметр анкеров | 4ф8AIII | ||
| Длина анкеров, мм | L | 200 | |
| Выборка стали на 1 изделие (профильная сталь), кг | -б=8 | 1.4 | |
| Выборка стали на 1 изделие (арм. A3 ф8), кг | 0.3 | ||
| Итого, кг | 1.7 | ||
| Обозначение детали | 1.400-15.B1.120-50 |
Изделие закладное МН 113-4
![]() |
Параметр | Обозначение | Значение |
| Размер пластины, мм | А | 150 | |
| Размер пластины, мм | B | 200 | |
| Размер пластины, мм | б | 6 | |
| Привязки анкеров, мм | а1 | 90 | |
| Привязки анкеров, мм | а2 | 30 | |
| Привязки анкеров, мм | b1 | 120 | |
| Привязки анкеров, мм | b2 | 40 | |
| Количество и диаметр анкеров | 4ф8AIII | ||
| Длина анкеров, мм | L | 300 | |
| Размеры пластин усиления и кол-во, мм | 40х40х8 (шт.4) | ||
| Выборка стали на 1 изделие (профильная сталь), кг | -б=6 | 1.4 | |
| Выборка стали на 1 изделие (профильная сталь), кг | -б=8 | 0.4 | |
| Выборка стали на 1 изделие (арм. A3 ф8), кг | 0.5 | ||
| Итого, кг | 2.3 | ||
| Обозначение детали | 1.400-15.B1.120-51 |
Изделие закладное МН 113-5
![]() |
Параметр | Обозначение | Значение |
| Размер пластины, мм | А | 150 | |
| Размер пластины, мм | B | 200 | |
| Размер пластины, мм | б | 6 | |
| Привязки анкеров, мм | а1 | 90 | |
| Привязки анкеров, мм | а2 | 30 | |
| Привязки анкеров, мм | b1 | 120 | |
| Привязки анкеров, мм | b2 | 40 | |
| Количество и диаметр анкеров | 4ф8AIII | ||
| Длина анкеров, мм | L | 250 | |
| Размеры пластин усиления и кол-во, мм | 40х40х8 (шт.4) | ||
| Выборка стали на 1 изделие (профильная сталь), кг | -б=6 | 1.4 | |
| Выборка стали на 1 изделие (профильная сталь), кг | -б=8 | 0.4 | |
| Выборка стали на 1 изделие (арм. A3 ф8), кг | 0.4 | ||
| Итого, кг | 2.2 | ||
| Обозначение детали | 1.400-15.B1.120-52 |
Изделие закладное МН 113-6
![]() |
Параметр | Обозначение | Значение |
| Размер пластины, мм | А | 150 | |
| Размер пластины, мм | B | 200 | |
| Размер пластины, мм | б | 6 | |
| Привязки анкеров, мм | а1 | 90 | |
| Привязки анкеров, мм | а2 | 30 | |
| Привязки анкеров, мм | b1 | 120 | |
| Привязки анкеров, мм | b2 | 40 | |
| Количество и диаметр анкеров | 4ф8AIII | ||
| Длина анкеров, мм | L | 80 | |
| Размеры пластин усиления и кол-во, мм | 40х40х8 (шт.4) | ||
| Выборка стали на 1 изделие (профильная сталь), кг | -б=6 | 1.4 | |
| Выборка стали на 1 изделие (профильная сталь), кг | -б=8 | 0.4 | |
| Выборка стали на 1 изделие (арм. A3 ф8), кг | 0.1 | ||
| Итого, кг | 1.9 | ||
| Обозначение детали | 1.400-15.B1.120-53 |

