Закладные изделия МН 774 по серии 1.400-15 выпуск 1
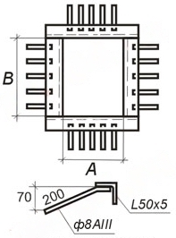
Изделие закладное МН 774-1
![]() |
Параметр | Обозначение | Значение |
| Размер, мм | А | 1450 | |
| Размер, мм | В | 1450 | |
| Кол-во стержней вдоль стороны А, шт | 5 | ||
| Кол-во стержней вдоль стороны В, шт | 5 | ||
| Выборка стали на 1 изделие (профильная сталь 50х5), кг | 22.6 | ||
| Выборка стали на 1 изделие (арм. AIII ф8), кг | 2 | ||
| Итого, кг | 24.6 | ||
| Обозначение детали | 1.400-15.B1.720-96 |
Изделие закладное МН 774-2
![]() |
Параметр | Обозначение | Значение |
| Размер, мм | А | 1450 | |
| Размер, мм | В | 1450 | |
| Кол-во стержней вдоль стороны А, шт | 5 | ||
| Кол-во стержней вдоль стороны В, шт | 5 | ||
| Выборка стали на 1 изделие (профильная сталь 50х5), кг | 22.6 | ||
| Выборка стали на 1 изделие (арм. AIII ф8), кг | 1.6 | ||
| Итого, кг | 24.2 | ||
| Обозначение детали | 1.400-15.B1.720-97 |

