Закладные изделия МН 725 по серии 1.400-15 выпуск 1
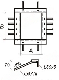
Изделие закладное МН 725-1
![]() |
Параметр | Обозначение | Значение |
| Размер, мм | А | 600 | |
| Размер, мм | В | 1200 | |
| Кол-во стержней вдоль стороны А, шт | 2 | ||
| Кол-во стержней вдоль стороны В, шт | 4 | ||
| Выборка стали на 1 изделие (профильная сталь 50х5), кг | 14.3 | ||
| Выборка стали на 1 изделие (арм. AIII ф8), кг | 1.2 | ||
| Итого, кг | 15.5 | ||
| Обозначение детали | 1.400-15.B1.710-48 |
Изделие закладное МН 725-2
![]() |
Параметр | Обозначение | Значение |
| Размер, мм | А | 600 | |
| Размер, мм | В | 1200 | |
| Кол-во стержней вдоль стороны А, шт | 2 | ||
| Кол-во стержней вдоль стороны В, шт | 4 | ||
| Выборка стали на 1 изделие (профильная сталь 50х5), кг | 14.3 | ||
| Выборка стали на 1 изделие (арм. AIII ф8), кг | 1 | ||
| Итого, кг | 15.3 | ||
| Обозначение детали | 1.400-15.B1.710-49 |

