Проектирование, изготовление, монтаж металлоконструкций в Новосибирске

+7 (383) 288-40-80
info@pk-promet.ru Пн. – Пт.: с 8:00 до 20:00
Заказать звонок
Новосибирск, ул. Часовая, 6, корпус 43
Компания
  • Реквизиты
  • Доставка
  • Оплата
  • Наши работы
  • Партнеры
  • Статьи
  • Вакансии
  • Контакты
Оборудование по
индивидуальному заказу
  • Проектирование нестандартного оборудования
  • Изготовление нестандартного оборудования
Металлоконструкции
  • Проектирование металлоконструкций
  • Производство металлоконструкций
  • Монтаж металлоконструкций
  • Строительство под ключ
Металлоизделия
  • Детали по чертежам
  • Анкерные болты фундаментные
    Анкерные болты фундаментные
    • Болт фундаментный тип 1
    • Болт фундаментный тип 2
    • Болт фундаментный тип 3
    • Болт фундаментный тип 4
    • Болт фундаментный тип 5
    • Болт фундаментный тип 6
    • Ещё
  • Анкерные группы
    Анкерные группы
  • Арматурные каркасы
    Арматурные каркасы
  • Закладные  детали
    Закладные детали
    • Закладные изделия МН по серии 1.400-15
Проектирование
Услуги
  • Сварочные работы
  • Токарные работы
    • Изготовление цилиндров
    • Изготовление корпусов
    • Изготовление штуцеров
    • Изготовление втулок
    • Изготовление поршней
    • Изготовление пальцев
    • Изготовление шпилек
    • Изготовление штифтов
    • Изготовление осей
    • Изготовление фланцев
    • Изготовление валов
  • Фрезерные работы
  • Сверление отверстий
  • Гибка металла
  • Лазерная резка
  • Рубка металла
  • Электроэрозионная резка
  • Резка ленточной пилой
  • Защитное покрытие
  • Газовая резка
  • Плазменная резка
    Компания
    • Реквизиты
    • Доставка
    • Оплата
    • Наши работы
    • Партнеры
    • Статьи
    • Вакансии
    • Контакты
    Оборудование по
    индивидуальному заказу
    • Проектирование нестандартного оборудования
    • Изготовление нестандартного оборудования
    Металлоконструкции
    • Проектирование металлоконструкций
    • Производство металлоконструкций
    • Монтаж металлоконструкций
    • Строительство под ключ
    Металлоизделия
    • Детали по чертежам
    • Анкерные болты фундаментные
      Анкерные болты фундаментные
      • Болт фундаментный тип 1
      • Болт фундаментный тип 2
      • Болт фундаментный тип 3
      • Болт фундаментный тип 4
      • Болт фундаментный тип 5
      • Болт фундаментный тип 6
      • Ещё
    • Анкерные группы
      Анкерные группы
    • Арматурные каркасы
      Арматурные каркасы
    • Закладные  детали
      Закладные детали
      • Закладные изделия МН по серии 1.400-15
    Проектирование
    Услуги
    • Сварочные работы
    • Токарные работы
      • Изготовление цилиндров
      • Изготовление корпусов
      • Изготовление штуцеров
      • Изготовление втулок
      • Изготовление поршней
      • Изготовление пальцев
      • Изготовление шпилек
      • Изготовление штифтов
      • Изготовление осей
      • Изготовление фланцев
      • Изготовление валов
    • Фрезерные работы
    • Сверление отверстий
    • Гибка металла
    • Лазерная резка
    • Рубка металла
    • Электроэрозионная резка
    • Резка ленточной пилой
    • Защитное покрытие
    • Газовая резка
    • Плазменная резка
      • Компания
        • Назад
        • Компания
        • Реквизиты
        • Доставка
        • Оплата
        • Наши работы
        • Партнеры
        • Статьи
        • Вакансии
        • Контакты
      • Оборудование по
        индивидуальному заказу
        • Назад
        • Оборудование по
          индивидуальному заказу
        • Проектирование нестандартного оборудования
        • Изготовление нестандартного оборудования
      • Металлоконструкции
        • Назад
        • Металлоконструкции
        • Проектирование металлоконструкций
        • Производство металлоконструкций
        • Монтаж металлоконструкций
        • Строительство под ключ
      • Металлоизделия
        • Назад
        • Металлоизделия
        • Детали по чертежам
        • Анкерные болты фундаментные
          • Назад
          • Анкерные болты фундаментные
          • Болт фундаментный тип 1
            • Назад
            • Болт фундаментный тип 1
            • Болт фундаментный тип 1 исполнение 1
            • Болт фундаментный тип 1 исполнение 2
          • Болт фундаментный тип 2
            • Назад
            • Болт фундаментный тип 2
            • Болт фундаментный тип 2 исполнение 1
            • Болт фундаментный тип 2 исполнение 2
            • Болт фундаментный тип 2 исполнение 3
          • Болт фундаментный тип 3
            • Назад
            • Болт фундаментный тип 3
            • Болт фундаментный тип 3 исполнение 1
            • Болт фундаментный тип 3 исполнение 2
          • Болт фундаментный тип 4
            • Назад
            • Болт фундаментный тип 4
            • Болт фундаментный тип 4 исполнение 1
            • Болт фундаментный тип 4 исполнение 2
            • Болт фундаментный тип 4 исполнение 3
          • Болт фундаментный тип 5
          • Болт фундаментный тип 6
            • Назад
            • Болт фундаментный тип 6
            • Болт фундаментный тип 6 исполнение 1
            • Болт фундаментный тип 6 исполнение 2
            • Болт фундаментный тип 6 исполнение 3
        • Анкерные группы
        • Арматурные каркасы
        • Закладные детали
          • Назад
          • Закладные детали
          • Закладные изделия МН по серии 1.400-15
            • Назад
            • Закладные изделия МН по серии 1.400-15
            • МН101-164
            • МН201-228
            • МН301-325
            • МН401-418
            • МН501-522
            • МН523-538
            • МН539-548
            • МН549-557
            • МН558-571
            • МН601-617
            • МН701-775
            • МН776-795
            • МН801
            • МН802-834
      • Проектирование
      • Услуги
        • Назад
        • Услуги
        • Сварочные работы
        • Токарные работы
          • Назад
          • Токарные работы
          • Изготовление цилиндров
          • Изготовление корпусов
          • Изготовление штуцеров
          • Изготовление втулок
          • Изготовление поршней
          • Изготовление пальцев
          • Изготовление шпилек
          • Изготовление штифтов
          • Изготовление осей
          • Изготовление фланцев
          • Изготовление валов
        • Фрезерные работы
        • Сверление отверстий
        • Гибка металла
        • Лазерная резка
        • Рубка металла
        • Электроэрозионная резка
        • Резка ленточной пилой
        • Защитное покрытие
        • Газовая резка
        • Плазменная резка
      • +7 (383) 288-40-80
      Новосибирск, ул. Часовая, 6, корпус 43
      info@pk-promet.ru

      МН737

      • Главная
      • Продукты
      • Закладные детали
      • Закладные изделия МН по серии 1.400-15
      • МН701-775
      • МН737

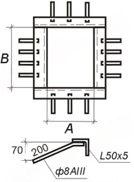
      Закладные изделия МН 737 по серии 1.400-15 выпуск 1

      Изделие закладное МН 737-1

      Чертеж закладных изделий МН 737 по серии 1.400-15 выпуск 1 Параметр Обозначение Значение
      Размер, мм А 800
      Размер, мм В 1100
      Кол-во стержней вдоль стороны А, шт 3
      Кол-во стержней вдоль стороны В, шт 4
      Выборка стали на 1 изделие (профильная сталь 50х5), кг 15.1
      Выборка стали на 1 изделие (арм. AIII ф8), кг 1.4
      Итого, кг 16.5
      Обозначение детали 1.400-15.B1.720-22

      Изделие закладное МН 737-2

      Чертеж закладных изделий МН 737 по серии 1.400-15 выпуск 1 Параметр Обозначение Значение
      Размер, мм А 800
      Размер, мм В 1100
      Кол-во стержней вдоль стороны А, шт 3
      Кол-во стержней вдоль стороны В, шт 4
      Выборка стали на 1 изделие (профильная сталь 50х5), кг 15.1
      Выборка стали на 1 изделие (арм. AIII ф8), кг 1.1
      Итого, кг 16.2
      Обозначение детали 1.400-15.B1.720-23
      • Детали по чертежам
      • Анкерные болты фундаментные
      • Анкерные группы
      • Арматурные каркасы
      • Закладные детали
        • Закладные изделия МН по серии 1.400-15
          • МН101-164
          • МН201-228
          • МН301-325
          • МН401-418
          • МН501-522
          • МН523-538
          • МН539-548
          • МН549-557
          • МН558-571
          • МН601-617
          • МН701-775
            • МН701
            • МН702
            • МН703
            • МН704
            • МН705
            • МН706
            • МН707
            • МН708
            • МН709
            • МН710
            • МН711
            • МН712
            • МН713
            • МН714
            • МН715
            • МН716
            • МН717
            • МН718
            • МН719
            • МН720
            • МН721
            • МН722
            • МН723
            • МН724
            • МН725
            • МН726
            • МН727
            • МН728
            • МН729
            • МН730
            • МН731
            • МН732
            • МН733
            • МН734
            • МН735
            • МН736
            • МН737
            • МН738
            • МН739
            • МН740
            • МН741
            • МН742
            • МН743
            • МН744
            • МН745
            • МН746
            • МН747
            • МН748
            • МН749
            • МН750
            • МН751
            • МН752
            • МН753
            • МН754
            • МН755
            • МН756
            • МН757
            • МН758
            • МН759
            • МН760
            • МН761
            • МН762
            • МН763
            • МН764
            • МН765
            • МН766
            • МН767
            • МН768
            • МН769
            • МН770
            • МН771
            • МН772
            • МН773
            • МН774
            • МН775
          • МН776-795
          • МН801
          • МН802-834
      Цель нашей компании —
      предложение широкого ассортимента товаров и услуг на постоянно высоком качестве обслуживания.

      Схема работы с нами

      Цена, условия и наличие
      Цена, условия и наличие

      На нашем сайте представлен широкий ассортимент товаров и услуг. Чтобы узнать стоимость выбранного товара или услуги, а также его наличие, вы можете связаться по телефону с нашим менеджером. Кроме того, вы можете оставить заявку на сайте, и мы перезвоним вам сами.

      Оплата
      Оплата После того, как вы оформили заявку, вам необходимо оплатить заказ. Осуществить оплату можно удобным способом (полностью или частично) по согласованию с нашими сотрудниками. Также мы предоставляем возможность оплачивать как наличными, так и по безналичному расчету.
      Изготовление
      Изготовление После того, как мы получаем оплату, начинается работа над вашим заказом. Выполненный заказ (товар или услугу) вы получаете в полном объеме в оговоренные сроки.
      Доставка или самовывоз
      Доставка или самовывоз Мы работаем по всей России. Вы можете как самостоятельно забрать ваш заказ на нашем производстве, так и заказать доставку в любой регион.

      Заказать услугу

      Поменять картинку

      Компания
      Реквизиты
      Доставка
      Оплата
      Наши работы
      Партнеры
      Статьи
      Вакансии
      Контакты
      Каталог
      Детали по чертежам
      Анкерные болты фундаментные
      Анкерные группы
      Арматурные каркасы
      Закладные детали
      Услуги
      Сварочные работы
      Токарные работы
      Фрезерные работы
      Сверление отверстий
      Гибка металла
      Лазерная резка
      Рубка металла
      Электроэрозионная резка
      Резка ленточной пилой
      Защитное покрытие
      Газовая резка
      Плазменная резка
      Наши контакты

      +7 (383) 288-40-80
      info@pk-promet.ru Пн. – Пт.: с 8:00 до 20:00
      Новосибирск, ул. Часовая, 6, корпус 43
      info@pk-promet.ru
      © 2010—2026 ООО «ПРОМЕТ»

      Продвижение сайта - TOPMAN
      Соглашение на обработку персональных данных Политика конфиденциальности
      Версия для печати
      Этот сайт использует cookie
      Мы используем файлы cookie, чтобы улучшать ваше взаимодействие с нашим сайтом. Продолжая использовать сайт, вы соглашаетесь на обработку файлов cookie
      Понятно