Закладные изделия МН 734 по серии 1.400-15 выпуск 1
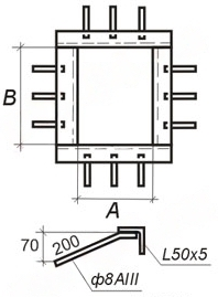
Изделие закладное МН 734-1
![]() |
Параметр | Обозначение | Значение |
| Размер, мм | А | 800 | |
| Размер, мм | В | 800 | |
| Кол-во стержней вдоль стороны А, шт | 3 | ||
| Кол-во стержней вдоль стороны В, шт | 3 | ||
| Выборка стали на 1 изделие (профильная сталь 50х5), кг | 12.8 | ||
| Выборка стали на 1 изделие (арм. AIII ф8), кг | 1.2 | ||
| Итого, кг | 14 | ||
| Обозначение детали | 1.400-15.B1.720-16 |
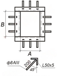
Изделие закладное МН 734-2
![]() |
Параметр | Обозначение | Значение |
| Размер, мм | А | 800 | |
| Размер, мм | В | 800 | |
| Кол-во стержней вдоль стороны А, шт | 3 | ||
| Кол-во стержней вдоль стороны В, шт | 3 | ||
| Выборка стали на 1 изделие (профильная сталь 50х5), кг | 12.8 | ||
| Выборка стали на 1 изделие (арм. AIII ф8), кг | 1 | ||
| Итого, кг | 13.8 | ||
| Обозначение детали | 1.400-15.B1.720-17 |

