Закладные изделия МН 760 по серии 1.400-15 выпуск 1
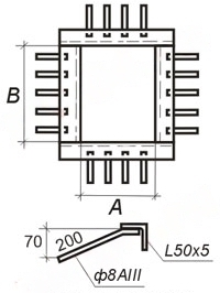
Изделие закладное МН 760-1
![]() |
Параметр | Обозначение | Значение |
| Размер, мм | А | 1100 | |
| Размер, мм | В | 1300 | |
| Кол-во стержней вдоль стороны А, шт | 4 | ||
| Кол-во стержней вдоль стороны В, шт | 5 | ||
| Выборка стали на 1 изделие (профильная сталь 50х5), кг | 18.8 | ||
| Выборка стали на 1 изделие (арм. AIII ф8), кг | 1.8 | ||
| Итого, кг | 20.6 | ||
| Обозначение детали | 1.400-15.B1.720-68 |
Изделие закладное МН 760-2
![]() |
Параметр | Обозначение | Значение |
| Размер, мм | А | 1100 | |
| Размер, мм | В | 1300 | |
| Кол-во стержней вдоль стороны А, шт | 4 | ||
| Кол-во стержней вдоль стороны В, шт | 5 | ||
| Выборка стали на 1 изделие (профильная сталь 50х5), кг | 18.8 | ||
| Выборка стали на 1 изделие (арм. AIII ф8), кг | 1.4 | ||
| Итого, кг | 20.2 | ||
| Обозначение детали | 1.400-15.B1.720-69 |

