Закладные изделия МН 729 по серии 1.400-15 выпуск 1
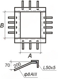
Изделие закладное МН 729-1
![]() |
Параметр | Обозначение | Значение |
| Размер, мм | А | 700 | |
| Размер, мм | В | 1000 | |
| Кол-во стержней вдоль стороны А, шт | 3 | ||
| Кол-во стержней вдоль стороны В, шт | 4 | ||
| Выборка стали на 1 изделие (профильная сталь 50х5), кг | 13.6 | ||
| Выборка стали на 1 изделие (арм. AIII ф8), кг | 1.4 | ||
| Итого, кг | 15 | ||
| Обозначение детали | 1.400-15.B1.720-06 |
Изделие закладное МН 729-2
![]() |
Параметр | Обозначение | Значение |
| Размер, мм | А | 700 | |
| Размер, мм | В | 1000 | |
| Кол-во стержней вдоль стороны А, шт | 3 | ||
| Кол-во стержней вдоль стороны В, шт | 4 | ||
| Выборка стали на 1 изделие (профильная сталь 50х5), кг | 13.6 | ||
| Выборка стали на 1 изделие (арм. AIII ф8), кг | 1.1 | ||
| Итого, кг | 14.7 | ||
| Обозначение детали | 1.400-15.B1.720-07 |

