Закладные изделия МН 323 по серии 1.400-15 выпуск 1
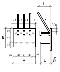
Изделие закладное МН 323-3
![]() |
Параметр | Обозначение | Значение |
| Размер пластины, мм | А | 500 | |
| Размер пластины, мм | B | 300 | |
| Размер пластины, мм | б | 10 | |
| Привязки анкеров, мм | а1 | 140 | |
| Привязки анкеров, мм | а2 | 40 | |
| Привязки анкеров, мм | b1 | 220 | |
| Привязки анкеров, мм | b2 | 40 | |
| Привязки анкеров, мм | с1 | 175 | |
| Привязки анкеров, мм | с2 | 75 | |
| Количество и диаметр гнутых анкеров | 3ф20AIII | ||
| Длина гнутых анкеров, мм | l | 750 | |
| Длина гнутых анкеров, мм | h | 210 | |
| Количество и диаметр прямых анкеров | 8ф14AIII | ||
| Длина прямых анкеров, мм | L | 220 | |
| Размеры пластин усиления и кол-во, мм | 50х50х10 (шт.4) | ||
| Выборка стали на 1 изделие (профильная сталь), кг | -б=10 | 12.6 | |
| Выборка стали на 1 изделие (арм. A3 ф14), кг | 2.2 | ||
| Выборка стали на 1 изделие (арм. A3 ф20), кг | 6.7 | ||
| Итого, кг | 21.5 |
Изделие закладное МН 323-4
![]() |
Параметр | Обозначение | Значение |
| Размер пластины, мм | А | 500 | |
| Размер пластины, мм | B | 300 | |
| Размер пластины, мм | б | 10 | |
| Привязки анкеров, мм | а1 | 140 | |
| Привязки анкеров, мм | а2 | 40 | |
| Привязки анкеров, мм | b1 | 220 | |
| Привязки анкеров, мм | b2 | 40 | |
| Привязки анкеров, мм | с1 | 175 | |
| Привязки анкеров, мм | с2 | 75 | |
| Количество и диаметр гнутых анкеров | 3ф20AIII | ||
| Длина гнутых анкеров, мм | l | 750 | |
| Длина гнутых анкеров, мм | h | 260 | |
| Количество и диаметр прямых анкеров | 8ф14AIII | ||
| Длина прямых анкеров, мм | L | 270 | |
| Размеры пластин усиления и кол-во, мм | 50х50х10 (шт.4) | ||
| Выборка стали на 1 изделие (профильная сталь), кг | -б=10 | 12.6 | |
| Выборка стали на 1 изделие (арм. A3 ф14), кг | 2.7 | ||
| Выборка стали на 1 изделие (арм. A3 ф20), кг | 6.7 | ||
| Итого, кг | 21.9 |
Изделие закладное МН 323-5
![]() |
Параметр | Обозначение | Значение |
| Размер пластины, мм | А | 500 | |
| Размер пластины, мм | B | 300 | |
| Размер пластины, мм | б | 10 | |
| Привязки анкеров, мм | а1 | 140 | |
| Привязки анкеров, мм | а2 | 40 | |
| Привязки анкеров, мм | b1 | 220 | |
| Привязки анкеров, мм | b2 | 40 | |
| Привязки анкеров, мм | с1 | 175 | |
| Привязки анкеров, мм | с2 | 75 | |
| Количество и диаметр гнутых анкеров | 3ф20AIII | ||
| Длина гнутых анкеров, мм | l | 750 | |
| Длина гнутых анкеров, мм | h | 260 | |
| Количество и диаметр прямых анкеров | 8ф14AIII | ||
| Длина прямых анкеров, мм | L | 370 | |
| Размеры пластин усиления и кол-во, мм | 50х50х10 (шт.4) | ||
| Выборка стали на 1 изделие (профильная сталь), кг | -б=10 | 12.6 | |
| Выборка стали на 1 изделие (арм. A3 ф14), кг | 3.6 | ||
| Выборка стали на 1 изделие (арм. A3 ф20), кг | 6.7 | ||
| Итого, кг | 22.9 |
