Закладные изделия МН 308 по серии 1.400-15 выпуск 1
Изделие закладное МН 308-1
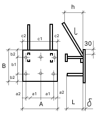
![]() |
Параметр | Обозначение | Значение |
| Размер пластины, мм | А | 300 | |
| Размер пластины, мм | B | 250 | |
| Размер пластины, мм | б | 8 | |
| Привязки анкеров, мм | а1 | 120 | |
| Привязки анкеров, мм | а2 | 30 | |
| Привязки анкеров, мм | b1 | 180 | |
| Привязки анкеров, мм | b2 | 35 | |
| Привязки анкеров, мм | с1 | 170 | |
| Привязки анкеров, мм | с2 | 65 | |
| Количество и диаметр гнутых анкеров | 2ф12AIII | ||
| Длина гнутых анкеров, мм | l | 480 | |
| Длина гнутых анкеров, мм | h | 120 | |
| Количество и диаметр прямых анкеров | 6ф10AIII | ||
| Длина прямых анкеров, мм | L | 120 | |
| Размеры пластин усиления и кол-во, мм | 40х40х8 (шт.3) | ||
| Выборка стали на 1 изделие (профильная сталь), кг | -б=8 | 5 | |
| Выборка стали на 1 изделие (арм. A3 ф10), кг | 0.4 | ||
| Выборка стали на 1 изделие (арм. A3 ф12), кг | 1 | ||
| Итого, кг | 6.4 |
Изделие закладное МН 308-2
![]() |
Параметр | Обозначение | Значение |
| Размер пластины, мм | А | 300 | |
| Размер пластины, мм | B | 250 | |
| Размер пластины, мм | б | 8 | |
| Привязки анкеров, мм | а1 | 120 | |
| Привязки анкеров, мм | а2 | 30 | |
| Привязки анкеров, мм | b1 | 180 | |
| Привязки анкеров, мм | b2 | 35 | |
| Привязки анкеров, мм | с1 | 170 | |
| Привязки анкеров, мм | с2 | 65 | |
| Количество и диаметр гнутых анкеров | 2ф12AIII | ||
| Длина гнутых анкеров, мм | l | 480 | |
| Длина гнутых анкеров, мм | h | 170 | |
| Количество и диаметр прямых анкеров | 6ф10AIII | ||
| Длина прямых анкеров, мм | L | 170 | |
| Размеры пластин усиления и кол-во, мм | 40х40х8 (шт.3) | ||
| Выборка стали на 1 изделие (профильная сталь), кг | -б=8 | 5 | |
| Выборка стали на 1 изделие (арм. A3 ф10), кг | 0.7 | ||
| Выборка стали на 1 изделие (арм. A3 ф12), кг | 1 | ||
| Итого, кг | 6.7 |
