Закладные изделия МН 316 по серии 1.400-15 выпуск 1
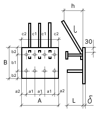
Изделие закладное МН 316-1
![]() |
Параметр | Обозначение | Значение |
| Размер пластины, мм | А | 400 | |
| Размер пластины, мм | B | 300 | |
| Размер пластины, мм | б | 8 | |
| Привязки анкеров, мм | а1 | 110 | |
| Привязки анкеров, мм | а2 | 35 | |
| Привязки анкеров, мм | b1 | 220 | |
| Привязки анкеров, мм | b2 | 40 | |
| Привязки анкеров, мм | с1 | 130 | |
| Привязки анкеров, мм | с2 | 70 | |
| Количество и диаметр гнутых анкеров | 3ф12AIII | ||
| Длина гнутых анкеров, мм | l | 480 | |
| Длина гнутых анкеров, мм | h | 120 | |
| Количество и диаметр прямых анкеров | 8ф10AIII | ||
| Длина прямых анкеров, мм | L | 120 | |
| Размеры пластин усиления и кол-во, мм | 40х40х8 (шт.4) | ||
| Выборка стали на 1 изделие (профильная сталь), кг | -б=8 | 7.9 | |
| Выборка стали на 1 изделие (арм. A3 ф10), кг | 0.6 | ||
| Выборка стали на 1 изделие (арм. A3 ф12), кг | 1.6 | ||
| Итого, кг | 10.1 |
Изделие закладное МН 316-2
![]() |
Параметр | Обозначение | Значение |
| Размер пластины, мм | А | 400 | |
| Размер пластины, мм | B | 300 | |
| Размер пластины, мм | б | 8 | |
| Привязки анкеров, мм | а1 | 110 | |
| Привязки анкеров, мм | а2 | 35 | |
| Привязки анкеров, мм | b1 | 220 | |
| Привязки анкеров, мм | b2 | 40 | |
| Привязки анкеров, мм | с1 | 130 | |
| Привязки анкеров, мм | с2 | 70 | |
| Количество и диаметр гнутых анкеров | 3ф12AIII | ||
| Длина гнутых анкеров, мм | l | 480 | |
| Длина гнутых анкеров, мм | h | 170 | |
| Количество и диаметр прямых анкеров | 8ф10AIII | ||
| Длина прямых анкеров, мм | L | 170 | |
| Размеры пластин усиления и кол-во, мм | 40х40х8 (шт.4) | ||
| Выборка стали на 1 изделие (профильная сталь), кг | -б=8 | 7.9 | |
| Выборка стали на 1 изделие (арм. A3 ф10), кг | 0.9 | ||
| Выборка стали на 1 изделие (арм. A3 ф12), кг | 1.6 | ||
| Итого, кг | 10.4 |
Изделие закладное МН 316-3
![]() |
Параметр | Обозначение | Значение |
| Размер пластины, мм | А | 400 | |
| Размер пластины, мм | B | 300 | |
| Размер пластины, мм | б | 8 | |
| Привязки анкеров, мм | а1 | 110 | |
| Привязки анкеров, мм | а2 | 35 | |
| Привязки анкеров, мм | b1 | 220 | |
| Привязки анкеров, мм | b2 | 40 | |
| Привязки анкеров, мм | с1 | 130 | |
| Привязки анкеров, мм | с2 | 70 | |
| Количество и диаметр гнутых анкеров | 3ф12AIII | ||
| Длина гнутых анкеров, мм | l | 480 | |
| Длина гнутых анкеров, мм | h | 170 | |
| Количество и диаметр прямых анкеров | 8ф10AIII | ||
| Длина прямых анкеров, мм | L | 220 | |
| Размеры пластин усиления и кол-во, мм | 40х40х8 (шт.4) | ||
| Выборка стали на 1 изделие (профильная сталь), кг | -б=8 | 7.9 | |
| Выборка стали на 1 изделие (арм. A3 ф10), кг | 1.1 | ||
| Выборка стали на 1 изделие (арм. A3 ф12), кг | 1.6 | ||
| Итого, кг | 10.6 |
