Закладные изделия МН 315 по серии 1.400-15 выпуск 1
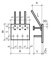
Изделие закладное МН 315-2
![]() |
Параметр | Обозначение | Значение |
| Размер пластины, мм | А | 400 | |
| Размер пластины, мм | B | 250 | |
| Размер пластины, мм | б | 10 | |
| Привязки анкеров, мм | а1 | 110 | |
| Привязки анкеров, мм | а2 | 35 | |
| Привязки анкеров, мм | b1 | 180 | |
| Привязки анкеров, мм | b2 | 35 | |
| Привязки анкеров, мм | с1 | 130 | |
| Привязки анкеров, мм | с2 | 70 | |
| Количество и диаметр гнутых анкеров | 3ф16AIII | ||
| Длина гнутых анкеров, мм | l | 620 | |
| Длина гнутых анкеров, мм | h | 160 | |
| Количество и диаметр прямых анкеров | 8ф14AIII | ||
| Длина прямых анкеров, мм | L | 170 | |
| Размеры пластин усиления и кол-во, мм | 50х50х10 (шт.4) | ||
| Выборка стали на 1 изделие (профильная сталь), кг | -б=10 | 8.7 | |
| Выборка стали на 1 изделие (арм. A3 ф14), кг | 1.7 | ||
| Выборка стали на 1 изделие (арм. A3 ф16), кг | 3.5 | ||
| Итого, кг | 13.9 |
Изделие закладное МН 315-3
![]() |
Параметр | Обозначение | Значение |
| Размер пластины, мм | А | 400 | |
| Размер пластины, мм | B | 250 | |
| Размер пластины, мм | б | 10 | |
| Привязки анкеров, мм | а1 | 110 | |
| Привязки анкеров, мм | а2 | 35 | |
| Привязки анкеров, мм | b1 | 180 | |
| Привязки анкеров, мм | b2 | 35 | |
| Привязки анкеров, мм | с1 | 130 | |
| Привязки анкеров, мм | с2 | 70 | |
| Количество и диаметр гнутых анкеров | 3ф16AIII | ||
| Длина гнутых анкеров, мм | l | 620 | |
| Длина гнутых анкеров, мм | h | 210 | |
| Количество и диаметр прямых анкеров | 8ф14AIII | ||
| Длина прямых анкеров, мм | L | 220 | |
| Размеры пластин усиления и кол-во, мм | 50х50х10 (шт.4) | ||
| Выборка стали на 1 изделие (профильная сталь), кг | -б=10 | 8.7 | |
| Выборка стали на 1 изделие (арм. A3 ф14), кг | 2.2 | ||
| Выборка стали на 1 изделие (арм. A3 ф16), кг | 3.5 | ||
| Итого, кг | 14.4 |
Изделие закладное МН 315-4
![]() |
Параметр | Обозначение | Значение |
| Размер пластины, мм | А | 400 | |
| Размер пластины, мм | B | 250 | |
| Размер пластины, мм | б | 10 | |
| Привязки анкеров, мм | а1 | 110 | |
| Привязки анкеров, мм | а2 | 35 | |
| Привязки анкеров, мм | b1 | 180 | |
| Привязки анкеров, мм | b2 | 35 | |
| Привязки анкеров, мм | с1 | 130 | |
| Привязки анкеров, мм | с2 | 70 | |
| Количество и диаметр гнутых анкеров | 3ф16AIII | ||
| Длина гнутых анкеров, мм | l | 620 | |
| Длина гнутых анкеров, мм | h | 210 | |
| Количество и диаметр прямых анкеров | 8ф14AIII | ||
| Длина прямых анкеров, мм | L | 270 | |
| Размеры пластин усиления и кол-во, мм | 50х50х10 (шт.4) | ||
| Выборка стали на 1 изделие (профильная сталь), кг | -б=10 | 8.7 | |
| Выборка стали на 1 изделие (арм. A3 ф14), кг | 2.6 | ||
| Выборка стали на 1 изделие (арм. A3 ф16), кг | 3.5 | ||
| Итого, кг | 14.8 |
Изделие закладное МН 315-5
![]() |
Параметр | Обозначение | Значение |
| Размер пластины, мм | А | 400 | |
| Размер пластины, мм | B | 250 | |
| Размер пластины, мм | б | 10 | |
| Привязки анкеров, мм | а1 | 110 | |
| Привязки анкеров, мм | а2 | 35 | |
| Привязки анкеров, мм | b1 | 180 | |
| Привязки анкеров, мм | b2 | 35 | |
| Привязки анкеров, мм | с1 | 130 | |
| Привязки анкеров, мм | с2 | 70 | |
| Количество и диаметр гнутых анкеров | 3ф16AIII | ||
| Длина гнутых анкеров, мм | l | 620 | |
| Длина гнутых анкеров, мм | h | 210 | |
| Количество и диаметр прямых анкеров | 8ф14AIII | ||
| Длина прямых анкеров, мм | L | 370 | |
| Размеры пластин усиления и кол-во, мм | 50х50х10 (шт.4) | ||
| Выборка стали на 1 изделие (профильная сталь), кг | -б=10 | 8.7 | |
| Выборка стали на 1 изделие (арм. A3 ф14), кг | 3.6 | ||
| Выборка стали на 1 изделие (арм. A3 ф16), кг | 3.5 | ||
| Итого, кг | 15.8 |
