Закладные изделия МН 307 по серии 1.400-15 выпуск 1
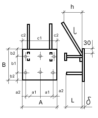
Изделие закладное МН 307-2
![]() |
Параметр | Обозначение | Значение |
| Размер пластины, мм | А | 300 | |
| Размер пластины, мм | B | 200 | |
| Размер пластины, мм | б | 10 | |
| Привязки анкеров, мм | а1 | 120 | |
| Привязки анкеров, мм | а2 | 30 | |
| Привязки анкеров, мм | b1 | 120 | |
| Привязки анкеров, мм | b2 | 40 | |
| Привязки анкеров, мм | с1 | 170 | |
| Привязки анкеров, мм | с2 | 65 | |
| Количество и диаметр гнутых анкеров | 2ф16AIII | ||
| Длина гнутых анкеров, мм | l | 620 | |
| Длина гнутых анкеров, мм | h | 160 | |
| Количество и диаметр прямых анкеров | 6ф14AIII | ||
| Длина прямых анкеров, мм | L | 170 | |
| Размеры пластин усиления и кол-во, мм | 50х50х10 (шт.3) | ||
| Выборка стали на 1 изделие (профильная сталь), кг | -б=10 | 5.3 | |
| Выборка стали на 1 изделие (арм. A3 ф14), кг | 1.3 | ||
| Выборка стали на 1 изделие (арм. A3 ф16), кг | 2.3 | ||
| Итого, кг | 8.9 |
Изделие закладное МН 307-3
![]() |
Параметр | Обозначение | Значение |
| Размер пластины, мм | А | 300 | |
| Размер пластины, мм | B | 200 | |
| Размер пластины, мм | б | 10 | |
| Привязки анкеров, мм | а1 | 120 | |
| Привязки анкеров, мм | а2 | 30 | |
| Привязки анкеров, мм | b1 | 120 | |
| Привязки анкеров, мм | b2 | 40 | |
| Привязки анкеров, мм | с1 | 170 | |
| Привязки анкеров, мм | с2 | 65 | |
| Количество и диаметр гнутых анкеров | 2ф16AIII | ||
| Длина гнутых анкеров, мм | l | 620 | |
| Длина гнутых анкеров, мм | h | 210 | |
| Количество и диаметр прямых анкеров | 6ф14AIII | ||
| Длина прямых анкеров, мм | L | 220 | |
| Размеры пластин усиления и кол-во, мм | 50х50х10 (шт.3) | ||
| Выборка стали на 1 изделие (профильная сталь), кг | -б=10 | 5.3 | |
| Выборка стали на 1 изделие (арм. A3 ф14), кг | 1.6 | ||
| Выборка стали на 1 изделие (арм. A3 ф16), кг | 2.3 | ||
| Итого, кг | 9.2 |
Изделие закладное МН 307-4
![]() |
Параметр | Обозначение | Значение |
| Размер пластины, мм | А | 300 | |
| Размер пластины, мм | B | 200 | |
| Размер пластины, мм | б | 10 | |
| Привязки анкеров, мм | а1 | 120 | |
| Привязки анкеров, мм | а2 | 30 | |
| Привязки анкеров, мм | b1 | 120 | |
| Привязки анкеров, мм | b2 | 40 | |
| Привязки анкеров, мм | с1 | 170 | |
| Привязки анкеров, мм | с2 | 65 | |
| Количество и диаметр гнутых анкеров | 2ф16AIII | ||
| Длина гнутых анкеров, мм | l | 620 | |
| Длина гнутых анкеров, мм | h | 210 | |
| Количество и диаметр прямых анкеров | 6ф14AIII | ||
| Длина прямых анкеров, мм | L | 270 | |
| Размеры пластин усиления и кол-во, мм | 50х50х10 (шт.3) | ||
| Выборка стали на 1 изделие (профильная сталь), кг | -б=10 | 5.3 | |
| Выборка стали на 1 изделие (арм. A3 ф14), кг | 2 | ||
| Выборка стали на 1 изделие (арм. A3 ф16), кг | 2.3 | ||
| Итого, кг | 9.6 |
