Закладные изделия МН 511 по серии 1.400-15 выпуск 1
Изделие закладное МН 511
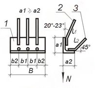
![]() |
Параметр | Обозначение | Значение |
| Сечение уголка (поз.1), мм | 75х6 | ||
| Длина уголка, мм | B | 400 | |
| Кол-во и диаметр арматуры (поз.2) | 3ф8AIII | ||
| Длина арматуры (поз.2), мм | l1 | 300 | |
| Кол-во и диаметр арматуры (поз.3) | 3ф8AIII | ||
| Длина арматуры (поз.3), мм | l2 | 200 | |
| Привязки анкеров, мм | b1 | 150 | |
| Привязки анкеров, мм | b2 | 50 | |
| Выборка стали на 1 изделие (профильная сталь 75х6), кг | 2.8 | ||
| Выборка стали на 1 изделие (арм. AIII ф8), кг | 0.7 | ||
| Итого, кг | 3.5 | ||
| Обозначение детали | 1.400-15.B1.510-10 |
