Закладные изделия МН 516 по серии 1.400-15 выпуск 1
Изделие закладное МН 516
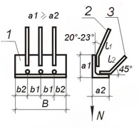
![]() |
Параметр | Обозначение | Значение |
| Сечение уголка (поз.1), мм | 160x100x9 | ||
| Длина уголка, мм | B | 500 | |
| Кол-во и диаметр арматуры (поз.2) | 3ф12AIII | ||
| Длина арматуры (поз.2), мм | l1 | 480 | |
| Кол-во и диаметр арматуры (поз.3) | 3ф8AIII | ||
| Длина арматуры (поз.3), мм | l2 | 200 | |
| Привязки анкеров, мм | b1 | 200 | |
| Привязки анкеров, мм | b2 | 50 | |
| Выборка стали на 1 изделие (профильная сталь 160x100x9), кг | 9 | ||
| Выборка стали на 1 изделие (арм. AIII ф8), кг | 0.3 | ||
| Выборка стали на 1 изделие (арм. AIII ф12), кг | 1.6 | ||
| Итого, кг | 10.9 | ||
| Обозначение детали | 1.400-15.B1.510-15 |
