Закладные изделия МН 514 по серии 1.400-15 выпуск 1
Изделие закладное МН 514
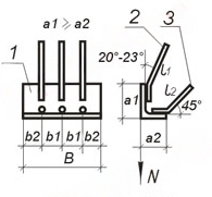
![]() |
Параметр | Обозначение | Значение |
| Сечение уголка (поз.1), мм | 90х7 | ||
| Длина уголка, мм | B | 500 | |
| Кол-во и диаметр арматуры (поз.2) | 3ф10AIII | ||
| Длина арматуры (поз.2), мм | l1 | 380 | |
| Кол-во и диаметр арматуры (поз.3) | 3ф8AIII | ||
| Длина арматуры (поз.3), мм | l2 | 200 | |
| Привязки анкеров, мм | b1 | 200 | |
| Привязки анкеров, мм | b2 | 50 | |
| Выборка стали на 1 изделие (профильная сталь 90х7), кг | 4.8 | ||
| Выборка стали на 1 изделие (арм. AIII ф8), кг | 0.3 | ||
| Выборка стали на 1 изделие (арм. AIII ф10), кг | 0.8 | ||
| Итого, кг | 5.9 | ||
| Обозначение детали | 1.400-15.B1.510-13 |
