Закладные изделия МН 507 по серии 1.400-15 выпуск 1
Изделие закладное МН 507
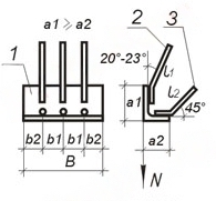
![]() |
Параметр | Обозначение | Значение |
| Сечение уголка (поз.1), мм | 63х5 | ||
| Длина уголка, мм | B | 300 | |
| Кол-во и диаметр арматуры (поз.2) | 3ф8AIII | ||
| Длина арматуры (поз.2), мм | l1 | 300 | |
| Кол-во и диаметр арматуры (поз.3) | 3ф8AIII | ||
| Длина арматуры (поз.3), мм | l2 | 200 | |
| Привязки анкеров, мм | b1 | 100 | |
| Привязки анкеров, мм | b2 | 50 | |
| Выборка стали на 1 изделие (профильная сталь 63х5), кг | 1.4 | ||
| Выборка стали на 1 изделие (арм. AIII ф8), кг | 0.7 | ||
| Итого, кг | 2.1 | ||
| Обозначение детали | 1.400-15.B1.510-06 |
