Закладные изделия МН 412 по серии 1.400-15 выпуск 1
Изделие закладное МН 412-1
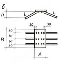
![]() |
Параметр | Обозначение | Значение |
| Размер пластины, мм | А | 250 | |
| Размер пластины, мм | B | 300 | |
| Размер пластины, мм | б | 6 | |
| Привязки анкеров, мм | b1 | 100 | |
| Привязки анкеров, мм | b2 | 50 | |
| Количество и диаметр анкеров | 6ф8AIII | ||
| Размер, мм | l | 300 | |
| Размер, мм | h | 120 | |
| Выборка стали на 1 изделие (профильная сталь), кг | -б=6 | 3.5 | |
| Выборка стали на 1 изделие (арм. A3 ф8), кг | 0.8 | ||
| Итого, кг | 4.3 | ||
| Обозначение детали | 1.400-15.B1.420-14 |
Изделие закладное МН 412-2
![]() |
Параметр | Обозначение | Значение |
| Размер пластины, мм | А | 250 | |
| Размер пластины, мм | B | 300 | |
| Размер пластины, мм | б | 6 | |
| Привязки анкеров, мм | b1 | 100 | |
| Привязки анкеров, мм | b2 | 50 | |
| Количество и диаметр анкеров | 6ф8AIII | ||
| Размер, мм | l | 250 | |
| Размер, мм | h | 70 | |
| Выборка стали на 1 изделие (профильная сталь), кг | -б=6 | 3.5 | |
| Выборка стали на 1 изделие (арм. A3 ф8), кг | 0.7 | ||
| Итого, кг | 4.2 | ||
| Обозначение детали | 1.400-15.B1.420-15 |
