Закладные изделия МН 617 по серии 1.400-15 выпуск 1
Изделие закладное МН 617
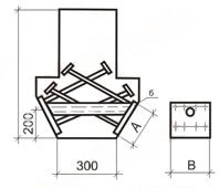
![]() |
Параметр | Обозначение | Значение |
| Размер пластины, мм | А | 300 | |
| Размер пластины, мм | В | 300 | |
| Размер пластины, мм | б | 12 | |
| Кол-во пластин, шт | 2 | ||
| Кол-во и диаметр анкеров (прямых) | (8+8)ф12AIII | ||
| Сечение трубы | 20 | ||
| Длина трубы, мм | 530 | ||
| Выборка стали на 1 изделие (профильная сталь), кг | -б=10 | 3.2 | |
| Выборка стали на 1 изделие (профильная сталь), кг | -б=12 | 17 | |
| Выборка стали на 1 изделие (труба), кг | тр.20 | 0.9 | |
| Выборка стали на 1 изделие (арм. AIII ф12), кг | 6.4 | ||
| Итого, кг | 27.5 | ||
| Обозначение детали | 1.400-15.B1.610-17 |
