Закладные изделия МН 565 по серии 1.400-15 выпуск 1
Изделие закладное МН 565
![]() |
Параметр | Обозначение | Значение |
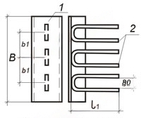
| Сечение швеллера (поз.1), мм | 10 | ||
| Длина швеллера, мм | B | п.м. | |
| Кол-во и диаметр арматуры (поз.2) | 3ф8AIII | ||
| Длина арматуры (поз.2), мм | l1 | 220 | |
| Привязки анкеров, мм | b1 | 330 | |
| Выборка стали на 1 изделие (профильная сталь шв.10), кг | 8.6 | ||
| Выборка стали на 1 изделие (арм. AIII ф8), кг | 0.6 | ||
| Итого, кг | 9.2 | ||
| Обозначение детали | 1.400-15.B1.560-07 |
