Закладные изделия МН 560 по серии 1.400-15 выпуск 1
Изделие закладное МН 560
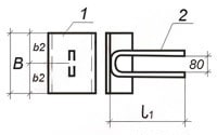
![]() |
Параметр | Обозначение | Значение |
| Сечение швеллера (поз.1), мм | 8 | ||
| Длина швеллера, мм | B | 200 | |
| Кол-во и диаметр арматуры (поз.2) | 1ф8AIII | ||
| Длина арматуры (поз.2), мм | l1 | 220 | |
| Привязки анкеров, мм | b2 | 100 | |
| Выборка стали на 1 изделие (профильная сталь шв.8), кг | 1.4 | ||
| Выборка стали на 1 изделие (арм. AIII ф8), кг | 0.2 | ||
| Итого, кг | 1.6 | ||
| Обозначение детали | 1.400-15.B1.560-02 |
