Закладные изделия МН 567 по серии 1.400-15 выпуск 1
Изделие закладное МН 567
![]() |
Параметр | Обозначение | Значение |
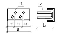
| Сечение швеллера (поз.1), мм | 14 | ||
| Длина швеллера, мм | B | 150 | |
| Кол-во и диаметр арматуры (поз.2) | 2ф8AIII | ||
| Длина арматуры (поз.2), мм | l1 | 220 | |
| Привязки анкеров, мм | b1 | 90 | |
| Привязки анкеров, мм | b2 | 30 | |
| Выборка стали на 1 изделие (профильная сталь шв.14), кг | 1.9 | ||
| Выборка стали на 1 изделие (арм. AIII ф8), кг | 0.4 | ||
| Итого, кг | 2.3 | ||
| Обозначение детали | 1.400-15.B1.570-01 |
