Закладные изделия МН 540 по серии 1.400-15 выпуск 1
Изделие закладное МН 540
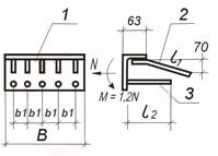
![]() |
Параметр | Обозначение | Значение |
| Сечение уголка (поз.1), мм | 100x63x6 | ||
| Длина уголка, мм | B | п.м. | |
| Кол-во и диаметр арматуры (поз.2) | 5ф8AIII | ||
| Длина арматуры (поз.2), мм | l1 | 250 | |
| Кол-во и диаметр арматуры (поз.3) | 5ф8AIII | ||
| Длина арматуры (поз.3), мм | l2 | 200 | |
| Привязки анкеров, мм | b1 | 200 | |
| Выборка стали на 1 изделие (профильная сталь 100x63x6), кг | 7.5 | ||
| Выборка стали на 1 изделие (арм. AIII ф8), кг | 1 | ||
| Итого, кг | 8.5 | ||
| Обозначение детали | 1.400-15.B1.540-01 |
